產品詳情
一、產品簡介
超聲波物位計(超聲波料位計測量料位,超聲波液位計測量液位),是一種非接觸式、高可靠性、高性 價比、易安裝維護的物位測量儀器。它不必接觸介質就能滿足大部分物位 測量要求,是我們公司經過多年努力開發,擁有完全自主產權的新一代超 聲波物位計。

二、簡易調試
由于儀表現場安裝環境不同的。因此超聲波物位計在工作之前必須知 道所需測量的基本情況,比如:測量范圍、零點、滿程和現場工況等等。 因此在測量之前必須對儀表進行設置。具體請參照第一頁的“超聲波物位 計菜單簡易設置操作說明”。
其他: 探頭選擇、參數校正、算法選擇這三個項目請不要自行修改。
超聲波物位計,正常情況下,按照說明書的安裝要求,安裝好設備后,只需 要設置以下幾個參數,設備就可以正常使用了。
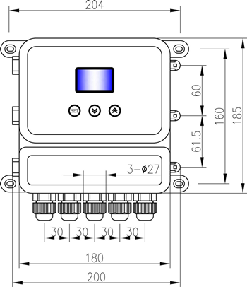
面板上有三個按鍵,通過這三個按鍵可對儀表進行調試。調試后液晶 屏幕上顯示測量值。

功能:1.進入菜單項,2.退出當前菜單項,3.確認參數修改。

功能:1.移動光標,2.修改參數,3 選擇菜單。
三、主要技術指標
功 能 | 一體型 | 分 體 型 |
量程 | 5 米、10 米、15 米、20 米 30 米、40 米、50 米、60 米 | 5 米、10 米、15 米、20米、 30 米、40 米、50 米、60 米 |
測量精度 | 0.5%-1.0% | 0.5%-1.0% |
分辨率 | 3mm 或 0.1%(取大者) | 3mm 或 0.1%(取大者) |
顯示 | 中文液晶顯示 | 中文液晶顯示 |
模擬輸出 | 4 線制 4~20mA/510Ω負載 2 線制 4~20mA/250Ω負載 | 4~20mA/510Ω負載 |
繼電器 | 可選配 2 個 AC 250V/ 8A 或 DC 30V/ 5A,狀態可編程 | (可選配)2 個或者 4 個 AC 250V/ 8A 或 DC 30V/ 5A,狀 態可編程 |
供電 | 標配 24VDC 可選 220V AC+15% 50Hz 可選 12VDC 或者電池供電 | 標配 220V AC+15% 50Hz 可選 24VDC 120mA 定做 12VDC 或者電池供電 |
環境溫度 | 顯示儀表-20~+60℃, 探頭-20~+80℃ | 顯示儀表-20~+60℃, 探頭-20~+80℃ |
通信 | 可選 485 或者 232 通信 | 可選 485 或者 232 通信 |
防護等級 | 顯示儀表 IP66,探頭 IP68 | 顯示儀表 IP65,探頭 IP68 |
探頭電纜 | 無 | 可達 100 米,標配 10 米 |
探頭安裝 | 根據量程和探頭的選型 | 根據量程和探頭的選型 |
產品功耗 | 分體式用 24V 電源供電,不帶繼電器功耗是 100mA,帶 2路繼電器 150mA,4 路繼電器要 200mA. 具體功率如下: 無繼電器是 24×100mA=2.4W; 2 路繼電器是 24×150mA=3.6W; 4 路繼電器是 24×200mA=4.8W; |
產品功耗 | 一體式四線制用 24V 電源供電,不帶繼電器功耗是 80mA,2路繼電器 150mA, 具體功率如下: 無繼電器是 24×80mA=1.92W; 2 路繼電器是 24×150mA=3.6W; |
產品功耗 | 一體式二線制用 24V 電源供電,不能帶繼電器,功耗是20mA。 功率是 24×20mA=0.48W; |
四、安裝指南
物位計安裝尺寸,分體式超聲波物位計標準型,寬度×高度×厚度=200×210×90 毫米:


實物圖 結構圖